Pequeno motor de engrenagem CA Fornecedores

  • Série 5500W
  • Série 5500W
  • Série 5500W
  • Série 5500W
Pequeno motor de engrenagem CA

Série 5500W

Potência do motor: 5500W Instalação horizontal ou vertical

Fase: fase única / tripla fase

Razão de transmissão: 3-1800K

Seleção do motor: motor trifásico 220V-240V/380V-415V, 50Hz/60Hz; Motor de 1 fase, 220V, 50Hz/60Hz; Motor de 1 fase, 110V, 50Hz / 60Hz

Diâmetro do eixo de saída: φ50mm

  • Série 5500W
  • Série 5500W
  • Série 5500W
  • Série 5500W
APLICAÇÃO ÁREA
nan
  • Classificação de logística

  • Robôs automatizados

  • corte a laser

  • Portão de controle de acesso

  • Central de energia fotovoltaica

  • Dispositivos médicos

  • AGV

Somos uma empresa de alta tecnologia dedicada à produção e vendas de motores de redução de engrenagens CA, pequenos motores de redução, redutores planetários servoespecíficos, motores CC sem escovas e sem escovas e outros produtos.

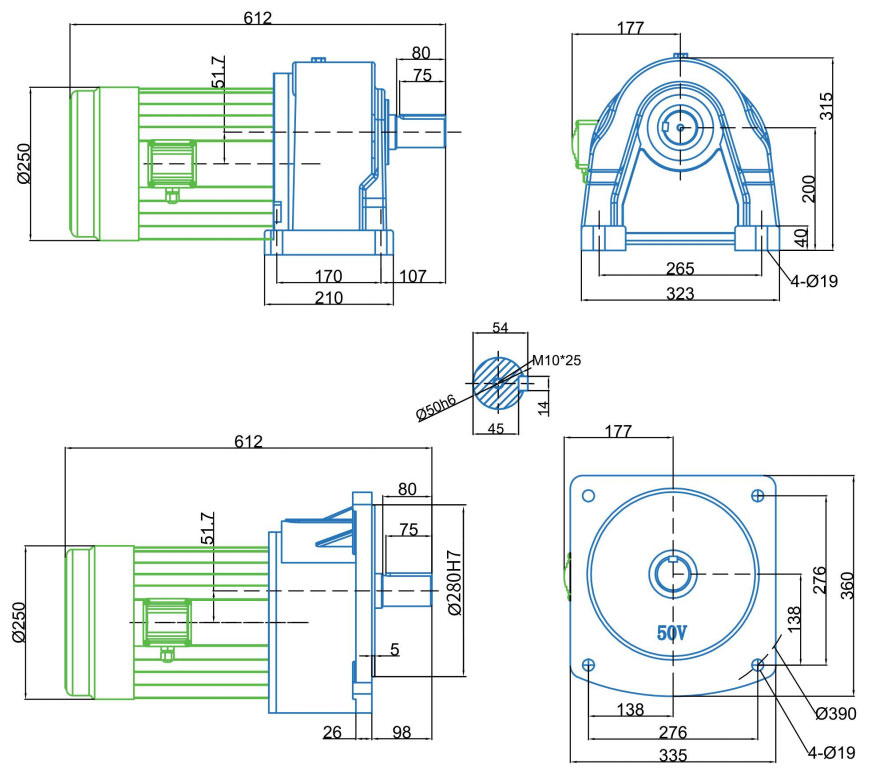
CH50/CV50-5500W - (Razão padrão 1: 10 ~ 120) Desenho dimensional

Parâmetro de máquinas elétricas

Parâmetro de máquinas elétricas

Power (KW)

Tipo

Tensão (V)

Frequência (Hz)

Corrente nominal (a)

Velocidade de rotação nominal (RMP)

Capacitores (μF)

Classificação de isolamento

Sistema de proteção

5.5kW

7.5hp

Trifásico

380V

50Hz

15.2a

1420RMP

/

F

IP54

5500W- (1: 10-120 Razão digital) Tabela de torque

Proporção gera

10

15

20

25

30

40

50

60

70

80

90

100

120

140

160

180

200

300

1200

1800

Saída R.P.M.

50Hz

150

100

75

60

50

37

30

25

21.4

18.8

16.7

15

12.5

10.7

9.4

8.4

7.5

5

1.25

0.83

60Hz

180

120

90

72

60

45

36

30

25.7

22.5

20

18

15

12.9

11.3

10

9

6

1.5

1

Torque de saída kg/m

50Hz

31.4

47.2

62.9

78.6

94.3

125.8

157.2

188.6

220

251.5

283

314.4

60Hz

25.8

38.7

51.6

64.4

77.3

103.1

128.9

154.7

180.4

206.2

232

257.8

A velocidade da tabela é calculada com base na velocidade nominal do motor a 50Hz/60Hz, 1420R.Min/1732R.Min

A velocidade real varia um pouco com o tamanho da carga, com uma faixa de variação de cerca de ± 5%.

+ Entenda os parâmetros detalhados do produto
Contate-nos
  • Upload

Sobre nós
Zhejiang Saiya Intelligent Manufacturing Co., Ltd.
Zhejiang Saiya Intelligent Manufacturing Co., Ltd. Fundada em 2009, com 15 anos de experiência no setor, é uma empresa de alta tecnologia especializada na produção e venda de micromotores CA, pequenos motores CA, motores CC com escovas, motores CC sem escovas BLDC, caixas de engrenagens planetárias de precisão, rolos de motor, etc. Atacado da China Série 5500W Fornecedores e OEM/ODM Série 5500W Fabricantes, Os motores e redutores Saiya são amplamente utilizados em robôs industriais, logística inteligente, máquinas de novas energias, robôs AGV e outras áreas avançadas. Além disso, desempenham funções críticas no processamento de alimentos, embalagens, têxteis, eletrónica, equipamentos médicos e máquinas especializadas, oferecendo soluções diferenciadas e económicas para diversos setores. Para melhorar as nossas vantagens em termos de diferenciação e relação custo-benefício, possuímos a nossa própria empresa comercial, a Hangzhou Saiya Transmission Equipment Co., LTD, localizada em Hangzhou, Zhejiang, perto dos portos de Xangai e Ningbo, para servir os negócios nacionais e internacionais, e, em conjunto com as vendas e distribuição diretas, garantimos a distribuição global e o apoio ao cliente, fornecendo soluções económicas e fiáveis ​​de alta qualidade para todos os nossos clientes.

Cultura Corporativa

Autêntica e Confiável
Qualidade que se Destaca Naturalmente.

Valores Fundamentais: Desenvolvimento Pessoal e Cuidado com os Outros.

Visão:Torne-se um especialista de serviços na área da transmissão inteligente.

A nossa missão:Prestar serviços de elevada qualidade e criar valor para os clientes.

Filosofia de serviço:Procurar a felicidade material e espiritual de todos os colaboradores e contribuir para o progresso e desenvolvimento da sociedade humana.

  • 2009

    Instalação
  • 80+

    Equipe
  • 5+

    Linha de Produção
Notícias